837 Delta T Azimuth Drive
The Model 837 Delta T Azimuth Drive is a rugged and powerful rotary actuator drive that can be coupled to an Imagenex Model 837 or 837B Delta T Multibeam Profiling Sonar. The two axes of rotation in this combined unit provide the capability to obtain accurate, high resolution range information in any direction. In standard applications, profiles may be made in any direction by simply commanding the Azimuth Drive to rotate the attached profiling sonar anywhere in a circle. The profiling sonar can then perform a cross-sectional scan before being rotated to a new azimuth angle. The Azimuth Drive uses the same Ethernet communications line and command structure as the Delta T head. A single, simple to use PC compatible computer program operates both.
Underwater Hardware Specifications
Max. Operating Depth
300 m and
2000 m available
Max. Cable Length
Standard: 100 m on CAT5e
Cable length may be increased up to ~9000 m using an Ethernet extender. Please enquire for more information.
Interface to PC
Standard: 10 Mbps Ethernet (10 BASE-T) using TCP/IP
Bit rate may vary if an Ethernet extender is in use.
Connector
Right angle, end mounted, 8 conductor, wet mateable
(Subconn MCBH8M-AS or MCBH8M-Ti)
Standard Accessories
Azimuth Drive to Sonar Head Interconnect Cable
Power Supply
22 – 32 VDC at 1 Amp max.
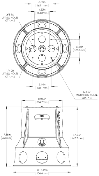
Dimensions
See drawing
Contact Imagenex for unit dimensions without P/U cover
Weight in Air
TBA
Weight in Water
TBA
Materials
300 m unit: 6061-T6 Aluminum & 300 Series Stainless Steel
2000 m unit: Gr. 2 Titanium
Finish
Hard Anodize (No finish for 2000 m unit)
Software Specifications
DeltaT_Azimuth.exe
Windows™ Operating System
Windows™ XP, Vista, 7, 8, 10
Azimuth Angle
0° – 359.7°, 0.3° increments
File Format
(filename).837, (filename).xyz, (filename).83a
Recommended Minimum Computer Requirements
2 GHz Pentium 4
256 MB RAM
20 GB Hard Disk
1024 x 768 screen resolution
Ordering Information
300 m Unit
837-000-450
2000 m Unit
837-000-451
IP Address*
Option -020
*Note: Standard IP Address is 192.168.0.59
A different IP Address may be specified upon ordering.
P/U Protective Cover
Option -036
Patton Ethernet Extender
Option -037
