837A Delta T 3000 m Profiling
MULTIBEAM PROFILING SONAR
The Imagenex Model 837A “Delta T” is a multiple receiver sonar system designed to provide video-like imaging with all the advantages of underwater sonar. Innovative digital signal processing is used to optimize data usage from all channels to achieve the best possible resolution at every point in the field of view. Recent advances in computing power have made it possible to transfer and process this data at resolutions equal to computer monitor resolution, and with image frame rates of better than 20 frames per second!
The Delta T system has been designed from the ground up with the most advanced, high accuracy, low power electronic components available to provide breakthroughs in system power consumption, package size, and price. This advanced electronics package has built in flexibility and programmability to accommodate a wide range of transducer arrays. Thus, the Delta T is the first in a family of new technology products which will have imaging and profiling capabilities to suit your underwater application. Imagenex sonars: advancing underwater imaging capability for the everyday user.
Underwater Hardware Specifications
Frequency
260 kHz
Transducer Beam Width
(nominal)
Receive: 120° x 3°
Transmit: 120° x 3°
Effective Beam Widths
3°, 1.5°, 0.75°
Beams*
120, 240, 480
*Data is acquired at full resolution every shot: processing the data for screen display on a PC can slow the system at highest number of beams. 120 beam mode is recommended for real time data acquisition. The data can then be played back at highest resolution (480 beam).
Range Resolution
Screen: 0.2% of range
Output: 0.02% of range
Min. Detectable Range
0.5 m
Max. Operating Depth
3000 m
Frame Rate
Up to 20 fps
Interface to PC
Standard: 10 Mbps Ethernet (10 BASE-T) using TCP/IP
Bit rate may vary if an Ethernet extender is in use.
Max. Cable Length
Standard: 100 m on CAT5e
Cable length may be increased up to ~9000 m using an Ethernet extender. Please enquire for more information.
Connector
Side mounted right angle, 8 conductor, wet mateable (Subconn MCBH8M-AS or MCBH8M-SS)
Power Supply
22 – 32 VDC at less than 5 Watts
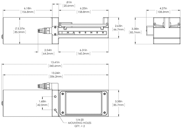
Dimensions
See Drawing
Weight in Air
Aluminum: 3 kg (7 lbs)
Stainless Steel: 6 kg (14 lbs)
Weight in Water
Aluminum: 1.2 kg (3 lbs)
Stainless Steel: 4.5 kg (10 lbs)
Materials
Aluminum unit: 6061-T6 Aluminum, Epoxy, PVC, Aluminum connector
Stainless Steel unit: 316 Stainless Steel, Epoxy, PVC, Stainless Steel connector
Finish
Hard Anodize
Software Specifications
DeltaT.exe
Windows™ Operating System
Windows™ XP, Vista, 7, 8, 10
Display Modes
Sector, Linear, Perspective, Profile, Beam Test
Persistence (Trail)
1 – 300 seconds
Range Scales
5 m, 10 m, 20 m, 30 m, 40 m, 50 m, 60 m, 80 m, 100 m
Sector Sizes
30°, 60°, 90°, 120°
File Format
Raw Data: (filename).837
Profile Point: (filename).83P
Recommended Minimum Computer Requirements
2 GHz Pentium 4
256 MB RAM
20 GB Hard Disk
1024 x 768 screen resolution
Ordering Information
3000 m Unit in Aluminum
837A-000-420
3000 m Unit in Stainless Steel
837A-000-421
Straight Connector
Option -009
IP Address*
Option -020
*Note: Standard IP Address is 192.168.0.2
A different IP Address may be specified upon ordering.
675 kHz
Option -022
External Trigger
Option -023
Dual Head Software
Option -024
Pitch, Roll & Heading Sensor
Option -029
