852 Ultra-Miniature Imaging
ULTRA-MINIATURE SCANNING SONAR
The Model 852 Digital Imaging Sonar was designed for use with the smallest of ROV’s. For maximum flexibility, this is a design with a fluid filled front end and a pressure housing for the electronics. The unit requires approximately 2.5 Watts from 24 VDC, or optional 48 VDC. Serial communication is utilized, RS-485 or RS-232 at 115.2 kbps. This unit will scan a maximum of 360° with a maximum range of 50 meters. The total weight in water is less than 0.2 kg (0.4 lbs).
Underwater Hardware Specifications
Frequency
675 / 850 kHz
Transducer
Imaging type, fan beam, fluid compensated
Transducer Beam Width
2.5° x 22°
Transmit Pulse Length
100 microseconds
Range Resolution
20 mm
Min. Detectable Range
150 mm
Max. Operating Depth
300 m
Max. Cable Length
1000 m on typical twisted shielded pair
Interface
RS-485 @ 115.2 kbps (RS-232 optional)
Connector
IE55-1206-BCR Penetrator
Power Supply
22 – 30 VDC at less than 3.6 Watts
Optional 40 – 56 VDC
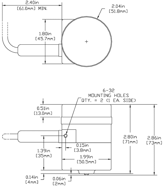
Dimensions
See drawing
Weight in Air
~270 g (0.6 lbs) with 24” pigtail
Weight in Water
less than 200 g (0.4 lbs) with 24" pigtail
Materials
6061-T6 Aluminum & Polyurethane
Finish
Hard Anodize
Software Specifications
Win852.exe
v2.10
Windows™ Operating System
Windows™ XP, Vista, 7, 8, 10
Modes
Polar, Sector, and Side Scan
Range Scales
5 m, 10 m, 20 m, 30 m, 40 m, 50 m
Sector Size
Sector Mode: 0° – 180°, 18° increments
Polar Mode: 360°, continuous
Step Sizes
Normal (2.25°), Fast (4.5°)
Grid Type
Polar
External Input
Depth, Heading, Turns
File Format
(filename).852
Recommended Minimum Computer Requirements
100 MHz Pentium
16 MB RAM
1 GB Hard Disk
800 x 600 x 256 colour graphics
Ordering Information
300 m Unit
852-000-100
RS-232
Option -006
40 – 56 VDC
Option -013
