881A Profiling
DIGITAL MULTI-FREQUENCY PROFILING SONAR
Now with Multi-frequency Sonar, operators can fine-tune their profiling range resolution. The Model 881A Profiling Sonar Head is a programmable multi-frequency digital scanning sonar that you can operate using default settings or customize the configurations for your own situation. High performance, lower cost, low power and simple set-up and installation, make this sonar perfect for all profiling applications.
Underwater Hardware Specifications
Frequency
675 kHz
-Other frequencies can be selected through programmable software configurations
(Tunable from 600 kHz to 1 MHz in 5 kHz steps)
Transducer
Profiling type, fluid compensated
Transducer Beam Width
600 kHz: 2.4°
675 kHz: 2.1°
1 MHz: 1.4°
Range Resolution
1 m – 4 m: 2 mm (0.08”)
5 m & up: 10 mm (0.4”)
Min. Detectable Range
150 mm (6”)
Max. Operating Depth
1000 m and 3000 m available
Max. Cable Length
1000 m on typical twisted shielded pair (RS-485)
Interface
RS-485 serial interface @ 115.2 kbps (or optional RS-232)
Connector
Side mounted, four conductor, wet mateable (Subconn MCBH4M-AS)
Optional right angle or end mount connector
Power Supply
20 – 36 VDC at less than 5 Watts
Dimensions
(for both depth ratings)
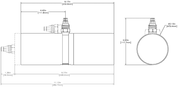
79.4 mm (3.125”) diameter x 234mm (9.2”) length
Weight in Air
1000 m unit: 1.8 kg (4 lbs)
3000 m unit: 2.2 kg (4.8 lbs)
Weight in Water
1000 m unit: 0.6 kg (1.3 lbs)
3000 m unit: 1 kg (2.2 lbs)
Materials
1000 m unit: 6061-T6 Aluminum & Polyurethane
3000 m unit: Titanium, Polyurethane & 300 series stainless steel
Finish
Hard Anodize
Software Specifications
Win881A.exe
v3.01
Windows™ Operating System
Windows™ XP, Vista, 7, 8, 10
Modes
Side Scan, Polar, and Sector
Range Scales
1 m, 2 m, 3 m, 4 m, 5 m, 10 m, 20 m, 30 m, 40 m, 50 m, 60 m, 80 m, 100 m
Train Angles
Continuous rotation, 3° increments
Sector Size
Sector Mode: 0° – 180°, 3° increments
Polar Mode: 0° – 357°, 3° increments, or Continuous rotation
Step Sizes
Slow (0.3°), Medium (0.6°), Fast (0.9°), Faster (1.2°), Fastest (2.4°)
Grid Types
Polar and rectangular
File Format
(filename).81a
Recommended Minimum Computer Requirements
100 MHz Pentium
16 MB RAM
1 GB Hard Disk
800 x 600 x 256 colour graphics
Ordering Information
1000 m Unit
881-000-420
3000 m Unit
881-000-421
RS-232
Option -006
End mount connector
Option -009
Right angle connector
Option -010
Interface source code in "C" (TEST881A.C)
Option -018
