881L Profiling
DIGITAL MULTI-FREQUENCY PROFILING SONAR
Using Ethernet communications, this all-in-one, high performance digital profiling sonar can exceed 100 shots per second on the 1 m range at a 2 mm range resolution.
The 881L is a multi-frequency system that can operate with customized configurations or revert to default settings to match appropriate operating range scales.
In addition to the benefits of low power, a simple set-up and installation procedure make this powerful sonar an ideal tool for remotely operated platforms ranging from large work ROV’s to small inspection vehicles, as well as AUV and UUV applications.
Underwater Hardware Specifications
Frequency
675 kHz
-Other frequencies can be selected through programmable software configurations
(Tunable from 600 kHz to 1 MHz in 5 kHz steps)
Transducer
Profiling type, fluid compensated
Transducer Beam Width
600 kHz: 2.4°
675 kHz: 2.1°
1 MHz: 1.4°
Range Resolution
1 m – 4 m: 2 mm (0.08”)
5 m & up: 10 mm (0.4”)
Min. Detectable Range
150 mm (6”)
Max. Operating Depth
1000 m and 3000 m available
Max. Cable Length
Standard: 100 m on CAT5e
Cable length may be increased up to ~9000 m using an Ethernet extender. Please enquire for more information.
Interface
Standard: 10 Mbps Ethernet (10 BASE-T) using TCP/IP
Bit rate may vary if an Ethernet extender is in use.
Connector
Side mounted, eight conductor, wet mateable (Subconn MCBH8M-AS or MCBH8M-Ti)
Optional right angle or end mount connector
Power Supply
20 – 32 VDC at less than 5 Watts
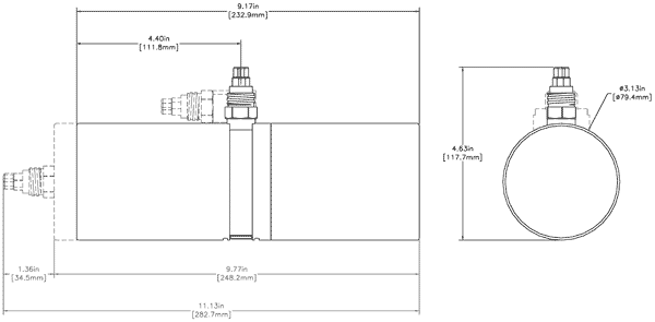
Dimensions
(for both depth ratings)
79.4 mm (3.125”) diameter x 234 mm (9.2”) length
Weight in Air
1000 m unit: 1.8 kg (4 lbs)
3000 m unit: 2.2 kg (4.8 lbs)
Weight in Water
1000 m unit: 0.6 kg (1.3 lbs)
3000 m unit: 1 kg (2.2 lbs)
Materials
1000 m unit: 6061-T6 Aluminum & Polyurethane
3000 m unit: Titanium & Polyurethane
Finish
Hard Anodize
Software Specifications
Win881L.exe
v1.04
Windows™ Operating System
Windows™ XP, Vista, 7, 8, 10
Modes
Side Scan, Polar, and Sector
Range Scales
1 m, 2 m, 3 m, 4 m, 5 m, 10 m, 20 m, 30 m, 40 m, 50 m, 60 m, 80 m, 100 m
Train Angles
Continuous rotation, 3° increments
Sector Size
Sector Mode: 0° – 180°, 3° increments
Polar Mode: 0° – 357°, 3° increments, or Continuous rotation
Step Sizes
Slow (0.3°), Medium (0.6°), Fast (0.9°), Faster (1.2°), Fastest (2.4°)
Grid Types
Polar and rectangular
File Format
(filename).81L
Recommended Minimum Computer Requirements
100 MHz Pentium
16 MB RAM
1 GB Hard Disk
800 x 600 x 256 colour graphics
Ordering Information
1000 m Unit
881-000-520
3000 m Unit
881-000-521
End mount connector
Option -009
Right angle connector
Option -010
IP Address*
Option -020
*Note: Standard IP Address is 192.168.0.5
A different IP Address may be specified upon ordering.
