965 Imaging
The Imagenex Model 965 is an advanced, high-speed, high-resolution, multibeam imaging sonar system that has been designed to provide simple, reliable, and accurate representation of underwater images.
The system consists of an underwater sonar head and an optional tilt motor assembly (recommended) connected by Ethernet to a Windows™ based computer.
The Model 965 includes circuitry which permits the attachment of an optional tilt motor assembly. As a recommended option, this drive, which allows for real time vertical angular adjustment of the sonar, enables the operator to adjust the vertical scan angle from +10° to -90° in 5° increments. This permits the operator to tilt the sonar down towards the target as it approaches.
Underwater Hardware Specifications
Frequency
260 kHz or
Optional 675 kHz
Transducer Beam Width
(nominal)
Receive: 120° (horizontal) x 20° (vertical)
Transmit: 120° (horizontal) x 20° (vertical)
Effective Horiz. Beam Width
1.5°
Beams*
120, 240, 480
*Data is acquired at full resolution every shot: processing the data for screen display on a PC can slow the system at highest number of beams. 120 beam mode is recommended for real time data acquisition. The data can then be played back at highest resolution (480 beam).
Range Resolution
0.2% of range
Min. Detectable Range
0.5 m
Max. Operating Depth
300 m
Frame Rate
Up to 10 fps
Interface to PC
Standard: 10/100 Mbps Ethernet (10 BASE-T or 100 BASE-TX) using TCP/IP
Bit rate may vary if an Ethernet extender is in use (Only for 10 BASE-T).
Max. Cable Length
Standard: 100 m on CAT5e
Cable length may be increased up to ~9000 m using an Ethernet extender. Please enquire for more information.
Connector
End mounted, 8 conductor, wet mateable (Subconn MCBH8M-AS)
Power Supply
22 – 32 VDC at less than 20 Watts
Optional 36 – 60 VDC
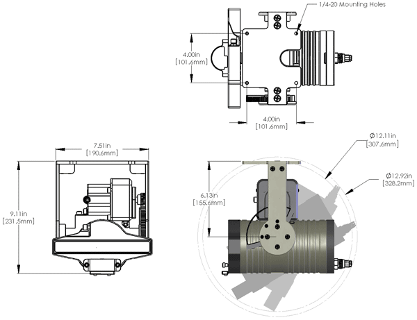
Dimensions
See Drawing
Weight in Air
260 kHz:
With Tilt: 4.8 kg (10.5 lbs)
Without Tilt: ~2 kg (4.5 lbs)
675 kHz: TBA
Weight in Water
260 kHz:
With Tilt: 1.7 kg (3.7 lbs)
Without Tilt: 0.07 kg (~0.2 lbs)
675 kHz: TBA
Materials
6061-T6 Aluminum, Epoxy, PVC, Aluminum connector
Finish
Hard Anodize
Software Specifications
Win965.exe
Windows™ Operating System
Windows™ XP, Vista, 7, 8, 10
Display Modes
Sector, Linear, Perspective, Profile, Beam Test
Persistence (Trail)
1 – 300 seconds
Range Scales
260 kHz: 1.25 m, 2.5 m, 5 m, 10 m, 20 m, 30 m, 40 m, 50 m, 60 m, 80 m, 100 m, 150 m, 200 m
675 kHz: 1.25 m, 2.5 m, 5 m, 10 m, 20 m, 30 m, 40 m, 50 m, 60 m
Sector Sizes
30°, 60°, 90°, 120°
File Format
(filename).965
Recommended Minimum Computer Requirements
2 GHz Pentium 4
256 MB RAM
20 GB Hard Disk
1024 x 768 screen resolution
Mechanical Tilt Drive Specifications (Optional)
Scan Angle
+10° to -90° in 5° increments
Stepper Motor Drive
Self-calibrating
Power
Less than 10 Watts
(supplied from sonar head electronics)
Connector
IE55 series
Weight in Air
TBA
Weight in Water
TBA
Materials
6061-T6 Aluminum, PVC, Delrin, Stainless Steel
Finish
Hard Anodize
Ordering Information
300 m Unit
965-000-100
Right Angle Connector
Option -010
IP Address
Option -020
Note: Standard IP Address is 192.168.0.2
A different IP Address may be specified upon ordering.
675 kHz
Option -022
Mechanical Tilt Drive
Option -042
