BlackFin Sidescan Kit
Underwater Hardware Specifications
Interface
10/100 Mbps Ethernet
Frequency
1.1 MHz or 2.25 MHz
Transducer Beam Width
0.25° x 60°
Range Resolution
Range scale ÷ 1000 & Range scale ÷ 2000
Pulse Length
10 μs CW / CHIRP
Power Supply
Nominal 24 VDC (20 VDC – 32 VDC) at less than 3 Watts
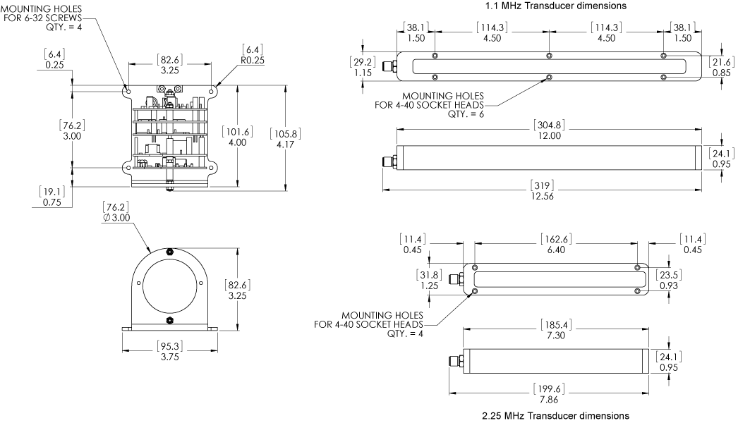
Electronics Dimensions
Transducer Dimensions
See drawing
(Other transducer configurations available)
Weight in Air
Transducers: 305 g (0.67 lbs) each
Electronics: 270 g (0.59 lbs)
Software Specifications
BlackFin.exe
Windows™ Operating System
Windows™ XP, Vista, 7, 8, 10
Zoom Modes
1x, 2x, and 4x dynamically moveable
Range Scales
1.1 MHz: 10 m, 20 m, 30 m, 40 m
2.25 MHz: 5 m, 10 m, 15 m
File Format
(filename).872
Recommended Minimum Computer Requirements
800 MHz Pentium 3
256 MB RAM
2 GB Hard Disk
1024 x 768 x 256 colour graphics
Communications Protocol Specifications
Ethernet Interface Specification (v1.00)
Filename: High Resolution Sidescan Specification.pdf
Source Code Available for Testing
RecordData_HiRes.cpp
Ordering Information
1.1 MHz UNIT with Remote Mount Transducers
873-000-157
2.25 MHz
Option -003
